iPhone 13 Pro阴阳屏怎么办?-阴阳屏可以解决吗?

9158APP 0

iPhone 13 Pro阴阳屏正常吗?

在评判一台显示器的好坏时,我们总会看到“漏光”这个词,意思是在纯黑色的背景下,白色的背光会透过屏幕的四个侧面。

手机的“阴阳屏”也类似,但更为严重:纯黑背景下,屏幕出现大面积泛白现象;在纯白色背景下,屏幕的某个区域出现偏黄或偏暗的区域。

因此,凡是屏幕亮度、色彩表现不均匀的屏幕,都可以归入“阴阳屏”的范畴。

阴阳屏风是Mura屏风的一种。 Mura 的意思是不均匀、不一致或有缺陷。在显示器行业,该词已被用作LCD 屏幕和较新的OLED 屏幕上出现的不一致和“云化”效应的官方名称。显示器屏幕上的Mura 效应(也称为亮度不均匀性)会降低用户的观看体验,并可能妨碍显示器的性能或功能。

OLED如何解决阴阳屏问题

事实上,亮度均匀性和残像一直是OLED面临的两大问题。根本原因是工艺问题。要解决这两个问题,除了工艺改进之外,就是补偿技术。补偿技术方法一般分为内部补偿和外部补偿两类。内部补偿是指利用像素内部TFT内置的子电路进行补偿的方法。外部补偿是指利用外部驱动电路或器件来感测像素的电学或光学特性,然后进行补偿的方法。

那么为什么需要补偿呢?

下图展示了最简单的AMOLED像素电路。它由两个薄膜晶体管(TFT)构成像素电路,为OLED器件提供相应的电流。

与一般非晶硅薄膜晶体管(amorphous-Si TFT)相比,LTPS TFT和Oxide TFT具有更高的迁移率和更稳定的特性,更适合应用在AMOLED显示器中。

低温多晶硅薄膜晶体管(LTPS TFT)多用于中小型应用,而氧化物薄膜晶体管(Oxide TFT)多用于大尺寸应用。

这是因为LTPS TFT具有更大的迁移率和更小的器件面积,使其更适合高PPI应用。

Oxide TFT具有更好的均匀性,且工艺与a-Si兼容,更适合高世代线上大尺寸AMOLED面板的生产。

他们各有缺点

由于结晶工艺的限制,在大面积玻璃基板上生产的LTPS TFT往往在不同位置上存在阈值电压和迁移率等电学参数的不均匀性。这种不均匀性会转化为OLED显示器件的电流差异和亮度差异被人眼感知到,这就是Mura现象。

尽管Oxide TFT具有良好的工艺均匀性,但与a-Si TFT类似,其阈值电压在长期压力和高温下会发生漂移。由于显示屏幕不同,面板各部分TFT的阈值漂移也不同。导致显示亮度差异。由于这种差异与之前显示的图像有关,因此常常表现为残像现象,即俗称的残像。

因此,在目前的制造工艺中,LTPS和Oxide都存在均匀性或稳定性问题,而且OLED本身会随着点亮时间的增加而亮度逐渐衰减。

由于这些问题在技术上很难完全克服,必须在设计上通过各种补偿技术来解决。一般OLED的发光亮度与电流成正比,而电流由TFT提供,与TFT的特性参数有关。电流通常表示为:

I=kCox(Vgs-Vth)2(1+Vds)

k是与TFT迁移率有关的参数,Vgs和Vds与电源电压和OLED驱动电压有关。

可以看出,影响电流的参数包括TFT迁移率、阈值电压、OLED驱动电压和电源电压。

补偿技术的主要目的是消除这些因素的影响,最终让所有像素点的亮度达到理想值。

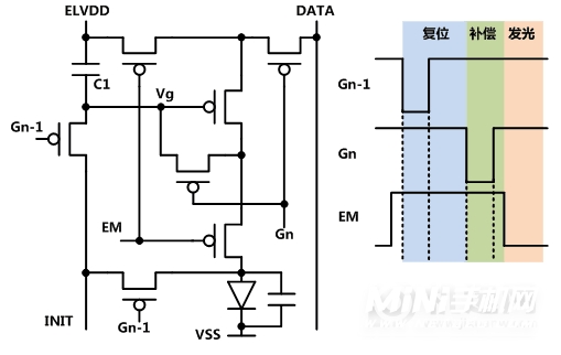
内部补偿下图是一个典型的内部补偿电路,由7个TFT和1个存储电容组成,因此称为7T1C结构。

类似的电路结构还有很多如6T1C、5T2C等,经过近几年的不断研发,内部补偿电路的拓扑结构已经几乎穷尽,很难有实用的结构创新。

这种像素电路工作时一般有三个工作阶段,会经历复位、补偿、点亮。即在一个驱动周期内至少要做2到3件事,因此对电路驱动能力和面板负载有一定的要求。

其总体工作思路是在补偿阶段将TFT的阈值电压Vth存储在其栅源电压Vgs中。当它最终发光时,它会将Vgs-Vth转换为电流,因为Vgs已经包含了Vth,然后将其转换为电流流动时,抵消了Vth的影响,从而实现了电流的一致性。

但事实上,由于寄生参数和驱动速度的影响,Vth并不能完全抵消,即当Vth偏差超过一定范围(通常?Vth0.5V)时,无法保证电流的一致性,因此其补偿范围是有限的。

外部补偿的Demura

外部补偿根据数据提取方式的不同可分为光学提取式和电学提取式。光学提取式是指点亮背板后,通过光学CCD摄影提取亮度信号。电提取型是指通过驱动芯片的感应电路提取TFT和OLED的电信号。

两种方法提取的信号类型不同,因此数据处理方法也不同。光学提取法具有结构简单、方法灵活的优点,因此现阶段得到广泛应用,也就是我们通常所说的Demura。

对于面板制造商来说,需要质量控制,因此在生产线上部署技术人员来检测和确定Mura。但这种方法主观性很强,不同人的判断存在差异,给质量控制带来很大麻烦。

因此,技术人员开发了AOI设备来检测Mura,检测到Mura后,进行补偿以消除Mura,即DeMura。

OLED Demura技术,目前三星和LG处于领先地位,但Demura技术非常复杂,都不能算成熟和完善。国内各厂商也在积极研发自己的Demura技术,希望能够提高良率。这就是为什么我们经常发现OLED屏幕有阴阳屏或者绿屏的原因。