随着投影技术快速发展,近年来,不少年轻人选择客厅观影设备时,都会偏向投影仪而不是电视,主要原因在于投影仪的大屏观影更沉浸,移动也比较方便。
从天眼查获悉,近日,华为技术有限公司申请的“立体投影系统、投影系统和交通工具”专利公布。

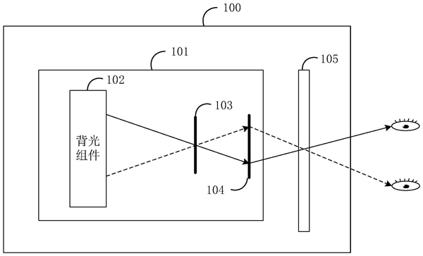
专利摘要显示,本申请提供了一种立体投影系统,应用于显示领域。立体投影系统包括背光组件、空间光调制器和扩散屏。背光组件用于以不同的角度向空间光调制器输出两束光束。空间光调制器用于根据不同的图像信息调制两束光束,得到两路成像光。
空间光调制器用于以不同的角度向扩散屏输出两路成像光,扩散屏用于对两路成像光进行扩散,以不同的角度输出扩散后的两路成像光,在该申请中,通过共用同一个空间光调制器,可以降低立体投影系统的成本。
从专利信息来看,华为这项“投影”专利主要针对的是立体投影系统,如果能成功应用在产品上,或将成为3D“看片神器”,让消费者在家就能观看3D电影。

文章来源:
快科技
版权声明:本文内容由互联网用户自发贡献,该文观点仅代表作者本人。本站仅提供信息存储空间服务,不拥有所有权,不承担相关法律责任。如发现本站有涉嫌抄袭侵权/违法违规的内容, 请联系我们,一经查实,本站将立刻删除;如已特别标注为本站原创文章的,转载时请以链接形式注明文章出处,谢谢!
还木有评论哦,快来抢沙发吧~